Початкова сторінка

Прадідівська слава

Українські пам’ятки

Не завагаєшся виконати найнебезпечнішого чину,
якщо цього вимагатиме добро справи

Богдан Хмельницький

?

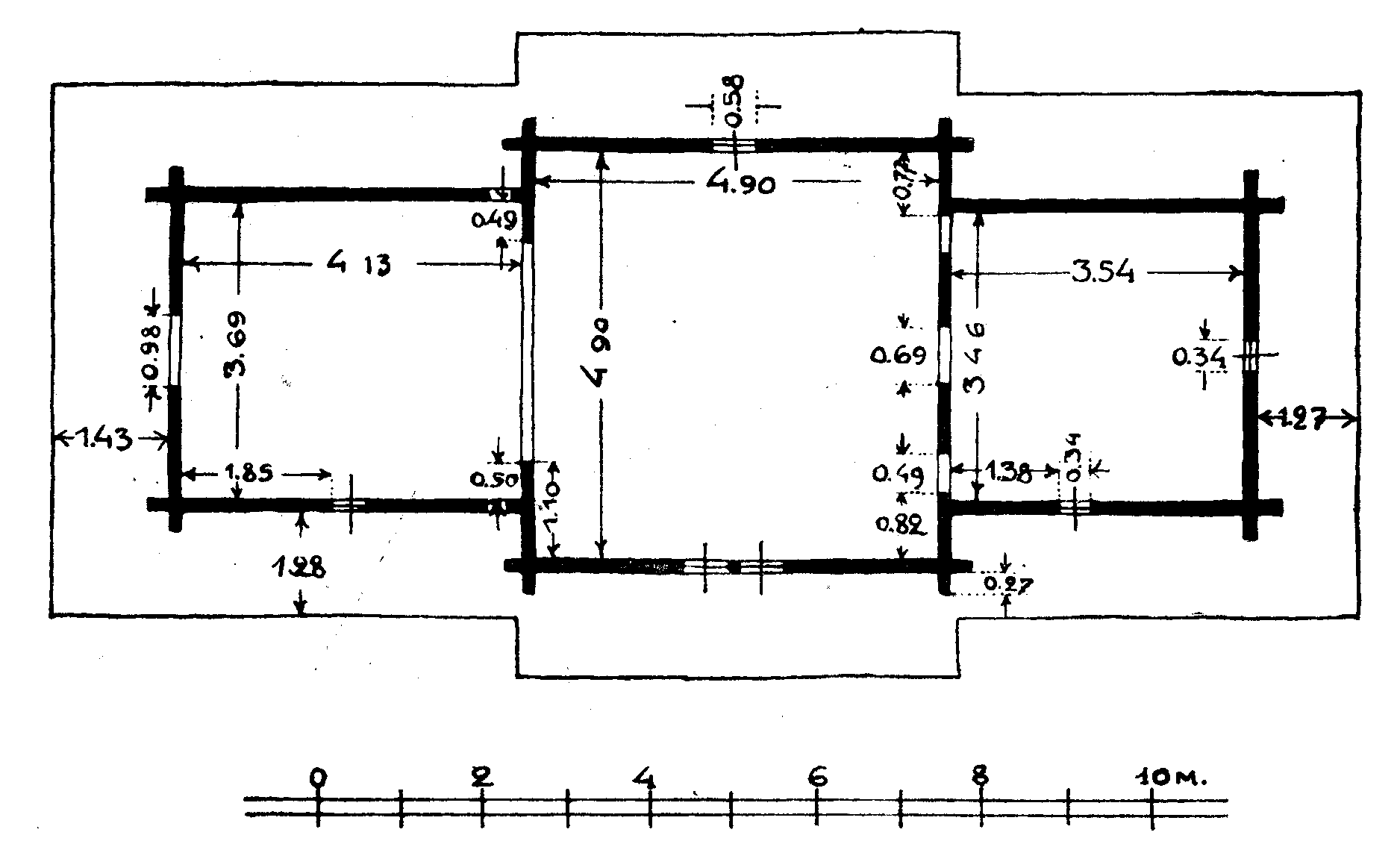
План церкви в Старому Селі

План церкви в Старому Селі

Розмір зображення: 1876:1131 піксел

Джерело: Січинський В. Деревяні дзвіниці і церкви Галицької України XVI – XIX ст. – Льв.: 1925 р., № 32.