1976 р. Монументальна дерев’яна архітектура лівобережної України
С. Таранушенко
Церква Юрія, збудована в 1772 р., майстер Григорій Куксенко
За типом плану пам’ятка належить до численної групи тризрубних пам’яток, що складаються з центрального восьмигранника та шестигранних вівтаря й бабинця, вона має не три, а один верх.
Церква була збудована в 1772 р., про що свідчить різьблений напис на одвірках дзвіниці.
Коли збудовано триярусну монументальну дерев’яну дзвіницю – браму з коморою в нижньому поверсі – невідомо [подібну дзвіницю з брамою й коморою бачимо ще при церкві Михайла в Лимані (див. опис цієї церкви)].
Вівтар і бабинець перекриті зараз двосхилими дахами. Залізні дахи вівтаря й бабинця за своєю формою не тільки не відповідають шестигранному зрубові стін, а всупереч йому мають лише два схили й фронтон. Існуючий зовнішній вигляд пам’ятки мало схожий на первісний. Проте і зараз в композиції домінує верх центральної дільниці, і зараз ще відгадуємо граціозність колишніх форм; і зараз ще цілком ясно «читається» гранчастість струнких високих зрубів стін вівтаря, бабинця, і особливо центральної дільниці.
Краще збереглися первісні форми в інтер’єрі. Бабинець втратив старі шестикутні двері, але зруб стін, висота якого вдвоє перевищує довжину [224]плану, повністю зберігся. Він щедро освітлений. На південь і північ (як і у Печенюгах) виходять великі подвійні вікна, на захід – одинарне. Прорізані вони у верхній половині зрубу стін. При вузьких гранях вгорі зрубу стін в інтер’єрі закладено різьблені ригелі [рисунок і характер різьблення ригелів у пам’ятці Великого Устя такий же, як і у пам’ятці, що побудована у Пекареві]. Зруби стін переходять у залом, п’ять граней якого в інтер’єрі перекрито шестигранною плоскою стелею. Отже, завершення бабинця має стіжкову форму [подібне завершення бабинця зустрінемо і у кролевецькій Покрові]. Грані зрубу стін бабинця підкреслено похилені всередину, і внутрішній простір бабинця виразно виявляє поривання вверх. Східна грань бабинця прорізана трьома великими просвітами, які не відмежовують простір центральної дільниці від бабинця, а, навпаки, «втягують» глядача, що перебуває в бабинці, в простір центральної дільниці. Нижня частина згаданого просвіту – прямокутна (з заплечиками), вона відкриває нижню третину грані; середня частина просвіту, також прямокутної форми, трохи нижча від першої, але значно іпирша за неї (тут заплечики зовсім коротенькі); третя, верхня частина, має заокруглену вгорі форму з натяком на волюти по краях.
Ще могутніше поривання внутрішнього простору вверх виявляють форми центральної дільниці. На межі з бабинцем західна грань центральної дільниці має внизу невеликі заплечики, східна ж на межі [225]з вівтарем заплечиків не має. Чіткий нахил граней зрубу стін, що підіймаються на 14-метрову висоту, майстерно розчленовують стяжки граней, просвіти вікон, ригелі, які створюють етапні орієнтири в процесі поступового розгортання простору. Мережані ригелі майстер розмістив перед вузькими гранями в два яруси: вгорі зрубу стін та на висоті вікна зірчастої форми. Крім того, майстер врубав довгі ригелі при південній і північній гранях, вмістивши їх в інтервалі між верхнім і нижнім ярусом коротких ригелів при вузьких гранях.
Перший задом центральної дільниці легко, без напруження переводить простір зрубу стін у високий, стрункий, щедро освітлений восьмерик. Його фактична висота, не кажучи вже про ілюзорну, переважає довжину. Верх вузьких граней восьмерика також стягують різьблені ригелі. Другий залом енергійним нахилом граней переводить верх дільниці у невеликий – мілкий (один вінець) ліхтар. Був він спочатку глибшим чи зберіг первісну форму, сказати важко.
Вишуканістю форми визначаються також південні й північні (з різьбленим написом) одвірки. Споруда в Великому Усті – видатний пам’ятник народної дерев’яної монументальної архітектури.
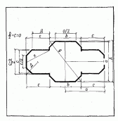
Аналіз обмірних креслеників показав, що Григорій Куксенко – не тільки майстер високої кваліфікації в галузі будівельної техніки і конструкцій, а й архітектор, що досконало знає арсенал архітектурно-художніх засобів, в першу чергу пропорцій, і тонко володіє ними. Це був талановитий майстер з яскравою індивідуальністю. Майстер розмітив план будівлі в натурі таким чином: спочатку на землі він розбив, центральний восьмигранник, який мав довжину, що дорівнювала 3/4 ширини. Довжина вівтаря (і бабинця також), визначалася виходячи з того, що сума довжини вівтаря і половини довжини центра дорівнювала ширині центральної дільниці. Вівтар і бабинець – шестигранники, вписані в квадрати. Південна й північні грані плану центра дорівнюють половині ширини дільниці, а східна й західна – півсумі повної довжини плану центра й бабинця.
У квадратів вівтаря й бабинця зрізані зовнішні кути. Південні й північні грані їх наближаються розміром до 1/2 діагоналі квадрата, в який вписується план вівтаря чи бабинця; східна грань вівтаря дорівнює половині повної ширини його, а західна грань бабинця довша від східної вівтаря на товщину бруса.
Зруб стін центральної дільниці майстер виводив за такими засадами: на висоті, що дорівнювала повній довжині бабинця, закладались нижні лутки вікон, а на висоті, що дорівнювала 3/2 довжини будови, завершувався просвіт з центра до бабинця; вище підносився уже суцільний восьмигранник зрубу стін. На висоті, що дорівнювала подвійній довжині плану вівтаря, закладено зірчасте вікно, а на висоті діагоналі чотирикутника, в який вписується восьмигранник плану центра, міститься центр зірчастого віконця: центр віконця позначав також ‘/2 внутрішньої висоти будови. На висоті, що дорівнювала довжині плану центра й бабинця, взятих разом, закладено ригель при південній грані. На висоті, що дорівнювала Ч-г повної ширини плану центральної дільниці, завершується зруб стін. Висота зрубів стін бабинця й вівтаря наближається до подвоєної довжини їх плану. Висота першого залому (їй дорівнює також висота залому вівтаря) і зрубу стін разом дорівнює довжині плюс ширина плану центральної дільниці.
[227]Довжина воеьмерика дорівнює довжині південної грані зрубу стін дільниці (вгорі), ширина – більша від довжини і становить 1/2 ширини плану дільниці. Ширина восьмерика перекликається також з розміро-ж вівтаря, але не з планом; вона дорівнює ширині зрубу стін вівтаря (вгорі). Висота восьмерика дорівнює ширині його. Центр вікна у восьмерику фіксує точку віддалення від підлоги, що дорівнює довжині плану будови.
Висота верху центральної дільниці дорівнює ширині зрубу стін центра (вгорі). Внутрішня висота центральної дільниці більша за довжину плану будови; вона дорівнює довжині плану будови плюс половина ширини плану центра.
Висота зрубу стін бабинця (і вівтаря) дорівнює подвоєній довжині плану дільниці. Грані залому вівтаря і бабинця засклеплені під кутом 45°. Внутрішня висота бабинця (й вівтаря) дорівнює подвійній діагоналі південної половини плану бабинця.
[Таранушенко С.А. Монументальна дерев’яна архітектура лівобережної України. – К.: 1976 р., с. 223 – 227]
